

Рис. 24. Желонки: а – с плоским клапаном: б – с шариковым клапаном; 1 – труба; 2 – отбивной штифт; 3 – клапан; 4 – ось; 5 – башмак; 6 – ограничитель
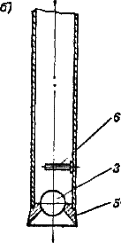
Для бурения пород рыхлых, сыпучих, обломочных (пески, гравий, галечник, ил), пород, наполненных водой, а также для чистки скважины после работы долотом применяют инструмент, называемый желонкой. Последняя представляет собой: отрезок трубы длиной 2–3 м, иногда до 4 м, снабженной внизу башмаком с клапаном, а вверху – устройством для соединения со штангами (рис. 24). Клапан обычно делается плоским из стальной пластины с уплотнением резиной, кожей или без него. В желонках небольшого диаметра применяют шариковый клапан. При сбрасывании в забой башмак желонки врезается в породу, которая приподнимает клапан и входит в трубу. Когда желонку поднимают, клапан закрывается и удерживает набранную породу. После заполнения породой желонку извлекают на поверхность и очищают, поворачивая ее для этого вверх клапаном с помощью специального устройства, позволяющего не отсоединять желонку от штанги. Бурильщику, который впервые «изобретает» желонку из случайных материалов, порекомендуем не гнаться за производительностью и сделать общую высоту желонки поменьше, скажем, около 1 м, и с боковым окном (рис. 25), чтобы можно было рукой дотянуться до клапана. Через это окно можно ее и чистить не переворачивая. Косынки и конус в верхней части желонки предназначены для того, чтобы при подъеме не зацепить желонку за обсадную трубу.

Рис. 25. Самодельная желонка: 1 – ударная штанга; 2 – окно; 3 – клапан; 4 – башмак
В качестве буровых штанг для неглубокого бурения (до 25 м) вполне достаточными по прочности являются газовые трубы внутренним диаметром 33 мм (применяют также трубы диаметром 42 и 48 мм). Длина труб отдельных звеньев штанги – 5 м. Отбирая трубы для штанг, надо внимательно осмотреть сварные швы. Если швы плохо проварены, то во время бурения при скручивающих нагрузках они легко расходятся.
Обычные водопроводные или газовые муфты для соединения штанг нежелательны из-за недостаточных прочности и длины. Для соединения буровых штанг лучше изготовить специальные муфты большей длины, бочкообразной формы и с гладкими концевыми внутренними проточками, в которые концы свинчиваемых штанг должны плотно заходить своими ненарезанными частями (рис. 26). Последнее делается для того, чтобы уменьшить опасные изгибающие нагрузки в концевых сечениях штанг, ослабленных резьбой. Конечно, намного ускоряет процесс соединения-разъединения штанг коническая резьба. Однако сделать такую резьбу очень трудно, и если, что скорее всего, придется ограничиться цилиндрической резьбой, то нарезать ее на штангах надо на токарном станке или клуппом с направляющей втулкой, чтобы избежать перекоса резьбы. Штанги с перекошенной резьбой при свинчивании будут располагаться не соосно, что чревато большими неприятностями, поскольку приводит к вихлянию всей буровой колонны, особенно заметному при ее длине более 10 м.

Рис. 26. Муфта
В самодеятельном бурении применяют и другие способы соединения штанг: на фланцах, штифтами с помощью соединительных втулок или патрубков из труб меньшего диаметра. Однако оба эти способа не позволяют добиться надежного и соосного соединения штанг вследствие небольших погрешностей в установке фланцев на сварке и люфта во втулках. А устранить эти дефекты практически невозможно.
При подъеме и спуске штанг в скважину их развинчивают не по одному звену (колену), а по два или по три – «столбами», или «свечами». «Столбы» нельзя класть на землю, так как при подъеме с земли они гнутся. Их надо удерживать в вертикальном положении, прислонив к надежной опоре. В старину, если бурение производилось без вышки, назначением одного рабочего в буровой команде было удерживать «столбы» руками в вертикальном положении. Штанги в «свечах» можно соединять цилиндрическими резьбами, а для соединения «свечей» между собой очень хорошо применить конические.
Когда нет подходящих труб, штанги можно сделать из дерева с металлическими наконечниками, соединяя их внахлестку на болтах. В старинных руководствах эта конструкция описана как вполне реальная. Дерево для штанг: тонкослойная ель, лиственница, ясень, дуб. Деревянными штангами бурили на небольшую глубину при диаметре скважины до 3 дюймов только ударным способом.
При свинчивании-развинчивании штанги висят в скважине на подкладной вилке, опираясь на нее муфтой, для этой же цели, а также для подъема и спуска штанг в скважину служит фарштуль (рис. 27). Фарштуль состоит из серьги, надетой своими ушками на цапфы массивной траверсы с вырезом посредине для пропуска рабочих штанг. Вырез закрывается откидной щеколдой (собачкой, заградительной планкой или шпилькой). Штанга, заведенная в фарштуль, садится муфтой на края выреза траверсы.


Рис. 27. Принадлежности для штанг: а – подкладная вилка; б – фарштуль; 1 – серьга; 2 – щеколда; 3 – траверса
Вращательное движение штанг в скважине осуществляется с помощью накидного хомута, который может быть выполнен из дерева и стягиваться шпильками.
В процессе ударно-вращательного бурения, несмотря на все предосторожности, случаются неполадки и аварии, приводящие к тому, что из скважины приходится извлекать какие-то предметы. Для этого служит ловильный инструмент (рис. 28).



Рис. 28. Ловильный инструмент: 1 – винт (метчик); 2 – колокол; 3 – штопор; 4 – «счастливый» крюк
Чаще всего приходится вытаскивать из скважины оторвавшиеся штанги. Разрыв штанг происходит в первую очередь потому, что в домашних условиях для штанг часто используют случайные материалы, а также из-за неопытности бурильщика. Для вытаскивания оторвавшихся штанг применяют ловильный винт, или метчик, представляющий собой стальной закаленный винт конической формы, нижний конец которого свободно входит в отверстие штанг. Продольные канавки ловильного винта предназначаются для стружки, образующейся при прорезывании винтом стенок штанги трубок.
В тех случаях, когда отверстие оторвавшейся части замято и конец ловильного винта в него не входит, а также для вытаскивания оторвавшегося рабочего инструмента с шейкой из сплошного металла, используют ловильный колокол.
Аналогичные ловильные инструменты применяют и для обсадных труб.
Когда упущенная в скважину штанга имеет наверху муфту, для ее ловли применяют «счастливый» крюк, которым штангу подхватывают под муфту.
Для того чтобы из скважины вытащить упавший мелкий предмет, необходим ловильный штопор – спирально согнутая стальная пластина (полоса) с резьбовым хвостиком наверху. Штопор опускают в скважину на штангах, и при вращении он вместе с породой захватывает упавший предмет.
Для подъема тяжелой колонны штанг из глубоких шахт потребуется ворот или лебедка, а также опора для верхнего блока. Обычно в этом случае устанавливают буровую вышку (рис. 29), которая представляет собой треногу высотой 4,5–5 м с канатным блоком наверху. Через блок должна быть пропущена крепкая веревка или стальной трос, с помощью которых колонну штанг с инструментом и разбуренной породой можно было бы вытащить лебедкой или воротом на поверхность.