Электрическая энергия подается на домовой электрощиток, который обычно состоит из самого щитка, счетчика электроэнергии и автоматических выключателей (автоматов) в качестве предохранителей (рис. 1.17). Число таких выключателей соответствует числу групп электросетей в доме. На современном электрощитке могут быть приварены контактной сваркой две DIN-рейки: одна для установки автоматических выключателей, а вторая – для нулевой шины. Эти приборы могут быть смонтированы на металлической панели или внутри металлического шкафчика с дверцей.

Рис. 1.17. Комплект электрощитка: металлическая панель с крышкой, электросчетчик «Соло» и два автоматических выключателя АВВ
Электрощиток устанавливают в доме в непосредственной близости от входа и, насколько возможно, от электрического ввода в дом, в защищенном от сырости месте (в прихожей, входном тамбуре и пр.), на стене или иной жесткой конструкции, не подвергающейся сотрясениям, вдали от источников тепла на высоте 1,4–1,7 м от чистого пола.
Электрощиток должен быть легко доступен для ремонта счетчика и включения/выключения общего выключателя и предохранителей. Расстояние от электрощитка со счетчиком до отключающего его коммутационного или защитного аппарата не должно превышать 10 м. В продаже имеются готовые электрощитки различного исполнения как в виде открытой панели, так и в виде шкафчика той или иной конструкции и размера, с установленным счетчиком или без него, с монтажом электрических соединений или без них.
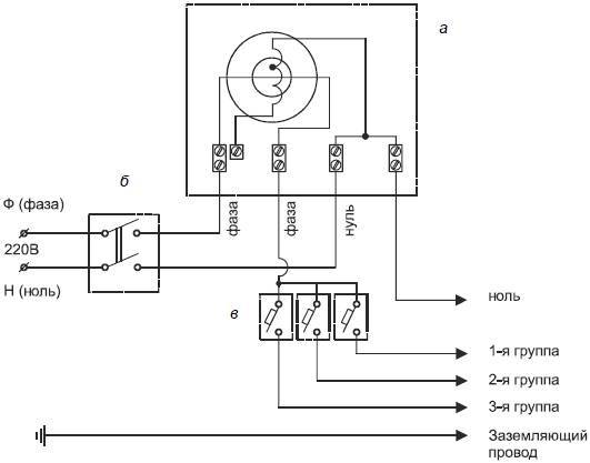
Провода, которые соединяют вводное устройство, счетчик и автоматические предохранители, должны быть цельными, не бывшими в употреблении, скрутки, пайки, разъемы недопустимы. Лучше всего использовать для монтажа на щитке медные одножильные провода диаметром 4 мм. Желательно, чтобы фазный и нулевой провода были разных цветов, например: красный и синий, синий и черный и т. д. Провода, подключаемые к счетчику, не нужно прокладывать внатяг: следует оставить запас в виде свободной петли длиной не менее 120 мм. Если провода имеют оболочку одинакового цвета, необходимо перед вводом в счетчик каким-либо образом маркировать их на длине не менее 100 мм (надеть цветные трубки, белые трубки с надписью и т. д.). Электрическая схема электрощитка приведена на рис. 1.18 [13].

Рис. 1.18. Электрическая схема электрощитка: а – электросчетчик; б – общий рубильник; в – предохранители домовых групп (отдельных электролиний)
Как видно из схемы, оба провода от домового ввода (фазовый и нулевой) поступают сначала на общий рубильник, затем на счетчик электроэнергии, а после него фазный провод подается на группы автоматических выключателей.
1.6. Электросчетчик
Счетчик, как уже было сказано, можно приобрести отдельно от электрощитка. Главное, чтобы он был совместим по габаритам с электрощитком.
1.6.1. Критерии выбора электросчетчика
Сегодня на рынке России имеется множество разновидностей электросчетчиков. Счетчики по своему предназначению могут быть для однофазной или трехфазной электросети. В индивидуальных жилых домах допускается установка только однофазных или трехфазных счетчиков электроэнергии. Однофазные счетчики предназначены для сети напряжением 220 В, трехфазные – 380 В. Три фазы подходят в том случае, когда у вас к сети подключена большая нагрузка. Например, если на кухне есть электроплита.
При выборе счетчика для дома прежде всего надо точно знать тип электрической сети (однофазная или трехфазная) и лимит электроэнергии, который определен для вашего дома. При выборе счетчика желательно проконсультироваться со специалистом электрической компании, обслуживающей ваш поселок.
Для загородного дома с окружающими его хозяйственными постройками, по правилам, достаточно одного счетчика. Выбирают модель счетчика, исходя из потребляемой вашим хозяйством (установленной) мощности. Узнают, на какую максимальную величину тока он рассчитан. Не все счетчики способны вынести нагрузку современного загородного дома, оснащенного значительным количеством бытовой техники.
Немаловажное значение имеет количество электроэнергии, потребляемой самим счетчиком. Понятно, что чем меньше он потребляет энергии, тем лучше с точки зрения экономичности. Выбранная вами модель обязательно должна быть сертифицирована, т. е. внесена в Государственный реестр средств измерений РФ. Иначе местная энергосбытовая организация не сможет обеспечить поверку счетчика, которая проводится каждые 8-16 лет. И, конечно, при покупке учитывают габариты счетчика. Желательно, чтобы он занимал поменьше места и был компактным. Разумеется, на выбор счетчика не в последнюю очередь влияет его цена. Счетчик выбирают вдумчиво, на основе анализа конкретной ситуации, учитывая целый ряд факторов.
По принципу действия бывают индукционные и электронные счетчики. В свою очередь электронные приборы учета электроэнергии (и однофазные, и трехфазные) подразделяются еще и на однотарифные и многотарифные. Поэтому при покупке нужно заранее решить, какой покупать счетчик: электронный или нет, однотарифный или многотарифный.
Лучше купить электронный счетчик, хоть он и дороже индукционного. Электронный счетчик, в отличие от индукционного, не содержит вращающихся частей. Сигналы тока и напряжения, поступающие с измерительных элементов, обрабатывает микроконтроллер, а результаты сохраняются во встроенной памяти и выводятся на электронный дисплей. Данные могут храниться длительное время, что и является преимуществом этого типа счетчиков. У него имеется защита против несанкционированного доступа. С микропроцессорным счетчиком возможностей еще больше, в частности предоплата и управление распределением нагрузки. Для электронного счетчика характерна устойчивость к климатическим, механическим, электромагнитным воздействиям. Есть модели, которые выдерживают экстремальный температурный режим от -40 до +55 °C, поэтому их можно использовать в неотапливаемых помещениях.
Если в поселке, где вы живете, существуют тарифы оплаты на потребление электроэнергии в зависимости от времени суток, то тогда электронный многотарифный счетчик поможет вам сэкономить на оплате электроэнергии и его стоимость довольно скоро окупится. Двухтарифные счетчики в установленное время автоматически переключаются на ночной тариф, что дает возможность контролировать расход электроэнергии отдельно в дневное и отдельно в ночное время.
Для проверки правильности начисления оплаты в современном электросчетчике достаточно обратиться к соответствующей функции, которая и покажет, сколько в каком месяце и по какому тарифу потрачено электроэнергии. Это избавляет от поиска старых квитанций об оплате. Вычисления в столбик разницы между показаниями за месяц уже не нужны, т. к. электросчетчик сам способен все это сделать.
Электронный счетчик, как и индукционный, рассчитан на срок службы более 32 лет.
Внимание!
Нарушение или отсутствие одной из пломб, а также любое повреждение корпуса счетчика делает оплату электроэнергии в соответствии с показаниями этого счетчика невозможной.
Основной технический параметр электросчетчика – класс точности – указывает на уровень погрешности измерений прибора. До середины 90-х годов все устанавливаемые в жилых домах счетчики имели класс точности 2.5 (максимально допустимый уровень погрешности составлял 2,5 %). В 1996 году был введен новый стандарт точности приборов учета, используемых в бытовом секторе – 2.0. Именно это стало толчком к повсеместной замене индукционных счетчиков на более современные и точные.