
Подвеска больших бомб под крыло с помощью двух лебедок БЛ-4.

Подвеска 250-кг бомб под крыло с помощью одной лебедки БЛ-4.
Пулемет УБ стрелка-радиста имел сектор обстрела 110° вправо и 105° влево, 65°-70° вверх и 15° вниз. На самолетах до 44-й серии использовался станок ВУБ-2М, а позже ВУБ-68. Прицел К-8Т или К-20Т со стабилизатором ОМП-6 или ОМП-7. На самолетах завода № 166 использовали станок ВЕУ-1 с электроприводом. Боекомплект 250 выстрелов.
Пулемет УБТ нижнего стрелка имел сектор обстрела 23° влево и вправо, 45° вниз и 1° вверх. До 49-й серии использовался станок ЛУ-Пе-2 (с самолета Пе-2), боекомплект 300 выстрелов. Потом начали использовать станок ЛУ-68, прицел ОП-2Л, а боекомплект увеличили до 350 выстрелов.
Для регистрации результатов стрельбы служили фотопулеметы ПАУ-22, устанавливаемые с 52-й серии на местах стрелков, а начиная с 57-й серии, и на месте пилота.

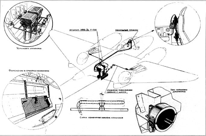
Установка фотоаппаратов АФА-ЗС
| Машина | № 100308 завод № 23 | № 100716 завод № 23 | № 38/47 завод № 23 | № 04/07 завод № 166 | № 10033905 Завод № 39 | № 10053915 завод № 39 |
| Дата испытания | 13.09–28.11.42 | 04.09 — 16.12.43 | 1946 | 29.01 — 05.04.48 | 04.03 — 25.04.49 | 05.49 |
| Сухая масса, кг | 7601 | 7474 | 8404 | 8467 | ||
| Нормальная взлетная масса, кг | 10538 | 10360 | 10960 | 11030 | 11450 | 11585 |
| Макс. скорость, км/ч | 521 | 547 | 550 | 535 | 550 | 549 |
| На высоте, м | 3200 | 5400 | 5460 | 5700 | 5700 | 5500 |
| Скороподъемность на 5000 м, мин | 10,2 | 9,5 | 10,3 | 11,2 | 11 | 10,8 |
| Потолок, м | 9000 | 9500 | 9350 | 9200 | 9000 | 9000 |
| Разбег, м | 450 | 415 | 465 | 504 | ||
| Пробег, м | 545 | 675 | 875 | 500 | ||
| Дальность, км | 2020 | 2100 | 2250 | 2650 | 2180 | 1950 |
Габариты самолета Ту-2
Длина: 13,80м
Размах: 18,86 м
Высота в полете (с винтами): 4,55 м
Высота на земле (с винтами):4,84 м
Площадь крыла: 48,8 м?
Удлинение крыла: 7,3
Средняя аэродинамическая хорда крыла: 3,25 м
Площадь элеронов: 3,303 м
Размах закрылков: 10,60 м
Стреловидность крыла: 2°
Угол возвышения консолей: +7°1?
Площадь горизонтальных стабилизаторов: 8,72 м?
Удлинение горизонтальных стабилизаторов: 3,22
Площадь шайб руля: 5,32 м?
Расстояние между шайбами: 5,3 м
Колея главного шасси: 5,4 м
База: 8,70 м

Тy-2, Тихоокеанский флот, ноябрь 1946 года. Самолет голубого цвета, на бортаx и сверху пятна серо-синего цвета.

Ту-2, Закавказский ВО, 1947 год. Пятнистый камуфляж оливковый/песочный/черный, днище светло-серый.

Ту-2 командующего 88-го БАД. 1945 год. Двухцветный камуфляж: зеленый/светло-голубой


Кабина Ту-2
1. Рефлекторный прицел. 2. Указатель курса и расстоянии. 3. Курвиметр. 4. Вариометр. 5. Указатель радиокомпаса. 6. Часы. 7. Указатели давления впрыска. Я. Тахометры. 9. Указатели температуры головок цилиндров. 10. Указатели температуры масла. 11. Указатели давления масла. 12. Компас. 13. Гашетка. 14. Педаль. 15. Штурвал. 16. Стойка штурвала. 17. Переключатели пушки и шасси… 18. Кресло нилота. 19. Индикаторы пушки. 20. Панель управления двигателями и шасси. 21. Вольтметр. 22. Указатель выпущенного шасси (зеленая лампочка). 23. Указатель убранного шасси (красная лампочка). 24. Указатель положения закрылков. 25. Индикатор гирокомпаса. 26. Указатель перегрузки. 27. Лампочка регулятора триммера. 28. Искусственный горизонт. 29. Альтиметр. 30. Спидометр.

Выпущенный для посадки закрылок.

Винт АВ-9ВФ-21К.

Польский Ту-2, морская авиация. 1956 год. Типичный камуфляж: зеленый/голубой