В крайнем случае можно использовать железный или стальной провод, лучше — телефонный, оцинкованный, чтобы он не ржавел.
Если нет целого провода и антенну приходится составлять из кусков, концы их надо хорошо зачистить, тщательно скрутить и место скрутки пропаять. В правом нижнем углу таблицы показан способ скрутки проводов. Начинающие радиолюбители часто соединяют провода двумя петлями. Такое соединение никуда не годится!
Снижение не должно касаться крыши и стен дома, поэтому его лучше всего укрепить на шесте с изолятором.
В месте ввода снижения в дом (обычно ввод делают через оконную раму) его надо тщательно изолировать. Лучше всего вставить в раму фарфоровые воронки, применяемые в осветительной проводке, или ввести снижение в резиновой трубке.
Около окна между вводом и приемником надо поставить грозовой переключатель. При приближении грозы, а также всегда, когда радиолюбитель не пользуется приемником, антенна должна быть заземлена. Устройство грозового переключателя показано на рисунке. Там же видна и схема включения его. Грозовой переключатель легко сделать самому из толстой жести, меди или латуни. Рядом с грозовым переключателем следует поместить так называемый искровый промежуток — две металлические зубчатые пластинки, установленные зубчиками друг к другу. Расстояние между остриями зубчиков — несколько десятых миллиметра.
Особое внимание нужно обратить на хорошее присоединение проводов ко всем контактам грозового переключения.
Заземление нужно делать прямо под тем окном, где введено снижение. Провод для заземления берется любой, чем толще, тем лучше. Вести провод надо прямо по стене, укрепляя его согнутыми гвоздями или скобками из толстой проволоки. Изолировать провод не нужно. Для заземления нужно выкопать, желательно в сыром месте, яму глубиной 1,5–2 м и закопать в нее какой-либо металлический предмет, лучше оцинкованный или луженый. Окрашенный масляной краской или эмалированный не годится. Закопать можно лист железа, старое ведро, таз.
Провод заземления надо крепко прикрутить и обязательно припаять к закапываемому предмету. Можно сделать заземление также из куска водопроводной трубы. Нижний конец трубы надо расплющить, к верхнему припаять провод, затем забить трубу вертикально в землю.
Во время засухи полезно в трубу наливать воду. Если есть водопровод, то провод заземления можно припаять к зачищенной напильником водопроводной трубе или, еще лучше, к медному крану. Годится и труба или, тоже лучше, медный кран парового отопления.
От правильной установки и тщательной изоляции антенны, от хорошего заземления во многом зависит качество приема, особенно на детекторный приемник.
Раздел третий
ЮНЫМ ЭЛЕКТРОТЕХНИКАМ
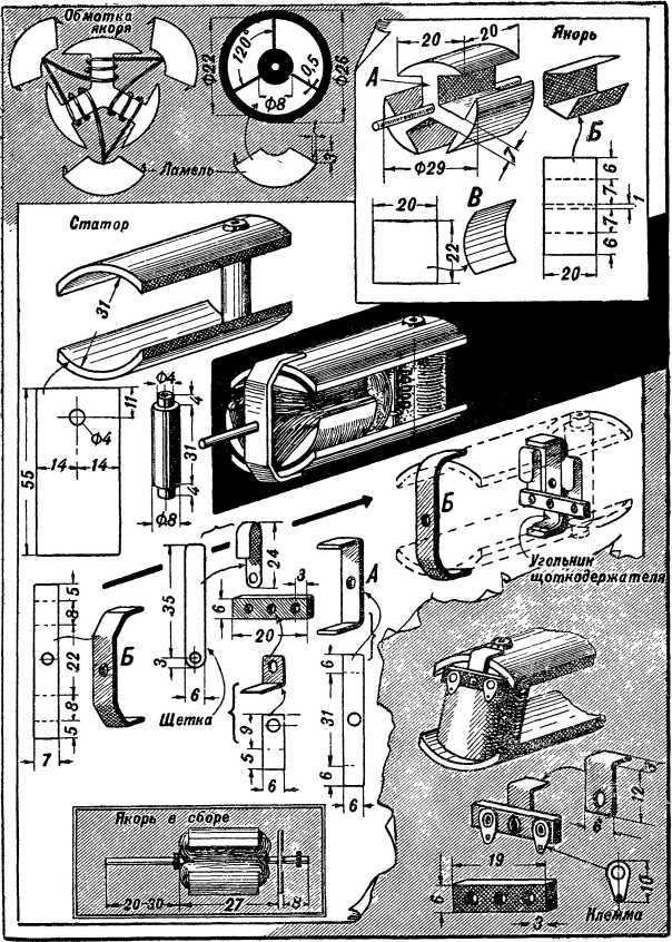
1. Компактный электромотор
Наш электромотор рассчитан на питание постоянным или переменным током напряжением 6–8 вольтов. Конструкция его несколько отличается от описанных во всех других книжках. Применив статор особой формы, мы получили возможность укрепить внутри него щетки, удачно расположить якорь, и весь мотор получился исключительно компактным. Ни одна часть его не «выпирает», каждый кубический сантиметр использован разумно. Якорь тоже сделан необычно. Он набивной, как в описанной дальше динамомашине. Коллектор мы применили плоский, так как он занимает меньше места, чем цилиндрический, а работает не хуже. Благодаря малым размерам этот электромотор удобно установить на любой модели — движущейся или стационарной. Постройку мотора начнем с изготовления статора (см. таблицу 18).

Таблица 18. Компактный электромотор.
Статор состоит из сердечника, сделанного из железного прутка и двух приклепанных к нему полюсов. Каждый полюс собран из пяти жестяных пластинок, спаянных вместе. Полюса изогнуты в виде дуг. Чтобы они получились одинаковыми, нужно сделать специальный шаблон. В качестве шаблона используйте деревянную палку диаметром 31 мм. Каждую пластинку полюса изогните на шаблоне отдельно, затем сложите вместе пять штук, привяжите их проволокой или веревкой к шаблону, выровняйте тщательно и пропаяйте края. Не снимая полюса с шаблона, просверлите в нем отверстие диаметром 4 мм. Точно так же сделайте и второй полюс.
Сердечник делается из круглого железного прутка длиной 39 мм и диаметром 8 мм. Оба конца сердечника сточите напильником на протяжении 4 мм до диаметра 4 мм. Удобно стачивать концы сердечника, зажав его в патроне дрели. Дрель укрепляется в тисках. В центре сточенных концов сверлятся отверстия диаметром 2 мм и глубиной 2–2,5 мм. Теперь остается приклепать к сердечнику полюса. Это нужно сделать очень аккуратно.
Зажмите сердечник в вертикальном положении в тисках. На верхнюю сточенную часть сердечника наденьте полюс. В отверстие сточенной части вставьте острие керна и ударьте по нему несколько раз молотком. Верхняя часть сердечника расширится, и полюс уже не соскочит с него. Правда, держится он еще не очень прочно, но это пока не важно.
Освободите сердечник из тисков, наденьте другой полюс на свободный конец сердечника и расклепайте его, установив сердечник уже расклепанным ранее концом на толстой стальной плитке или на наковальне. Теперь, ударяя молотком то по одному, то по другому концу сердечника, окончательно приклепайте к нему полюса. Полюса должны идти строго параллельно друг другу, без всяких перекосов и отклонений в стороны. Расстояние между ними везде должно быть равно 31 мм. Для большей прочности и красоты расклепанные концы сердечника можете припаять к полюсам, но это необязательно.
Якорь. Обычно юные техники делают якорь из отдельных фигурных пластинок, собранных вместе. В таком якоре железа недостаточно, и поэтому мотор получается слабым. В нашем моторе якорь набивной. Мы спаяли из жести пустотелый якорь и набили его железными опилками. Такой якорь сделать очень просто, а мотор с ним работает прекрасно.
Все размеры якоря даны на таблице (справа, вверху). Из жести или, еще лучше, из железа толщиной 0,5–1 мм аккуратно вырежьте две щечки А и припаяйте их к оси на расстоянии 20 мм друг от друга. Ось возьмите диаметром 3–4 мм (от «конструктора») и длиной приблизительно 70–80 мм. К этим щечкам припаяйте три V-образные пластинки Б и два полукруга В. Все эти детали делаются из жести. Плотно набейте якорь через открытый полюс опилками, кусочками железной проволоки, мелкими гвоздиками и т. п. Чтобы все это хорошо улеглось в якоре, потрясите его. Когда якорь будет заполнен, налейте в него немного спиртового лаку (например шеллаку), дайте ему просохнуть и припаяйте третий, последний полукруг В. Якорь готов.
Обмотка статора. Перед обмоткой сердечник статора изолируйте двумя-тремя слоями парафинированной бумаги или изоляционной ленты. У полюсов наденьте щечки, вырезанные из тонкого картона. На сердечник нужно намотать 200 витков изолированной эмалью проволоки диаметром 0,5 мм. Мотать нужно аккуратно, виток к витку. Готовую обмотку оберните для защиты от повреждений одним-двумя слоями дерматина или просто плотной бумаги. Внешний диаметр обмотки должен быть приблизительно равен 19 мм. Если из-за неаккуратной намотки диаметр получится несколько больше, придется смотать витков десять-двадцать, иначе места для установки щеток не хватит.
Обмотка якоря. Тщательно изолируйте все три полюса якоря двумя-тремя слоями парафинированной бумаги или изоляционной ленты. На каждый полюс намотайте 80–90 витков изолированной проволоки диаметром 0,4 мм. Все полюса якоря обматываются в одну сторону и строго одинаково. Концы обмоток соедините по схеме (см. левый верхний угол таблицы). Полученные три конца потом припаяете к пластинкам (так называемым ламелям) коллектора.