Итак, любовь СР и HP мужчины - это принесение себя в жертву и служение. Любовь ВР мужчины - это забота и опека. А любовь женщины - это разведка боем и вхождение в доверие к мужчине с целью подготовки инверсии доминирования.
3.7. Инверсия доминирования, доминирование и циклы формулы любви
Жил король со своей королевой у самого синего моря. Жили они да поживали, вот только детей у них не было. И говорит король королеве:
- Испеки мне, королева, колобок!
- Совсем охренел, что ли? - отвечает королева. - Что я тебе, кухарка?
- Эх ты, - обижался король, - а я-то тебя простой Золушкой взял, обул-одел, в люди вывел...
А сказке конец вовсе не тут. Сказка-то у них на второй день после свадьбы кончилась...
Ну, как жизнь в роли молодожена?
- Ужасно! Курить нельзя, пить нельзя, материться нельзя!
- Да, действительно тоска.
- И тосковать тоже нельзя!

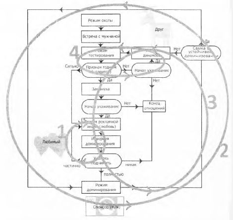
Рис. 23. Участок алгоритма полового инстинкта человеческой самки, отвечающий за проведение инверсии доминирования.
Строго говоря, инверсия доминирования начинается еще в процессе ухаживания, когда мужчина начинает подкармливать женщину, оказывать ей услуги и демонстрировать способность подчиняться. Но при образовании устойчивой пары женщина резко увеличивает воздействие на мужчину.
Спусковым механизмом обычно является беременность или рождение ребенка. Это и понятно. Ребенка нужно обеспечивать, что стимулирует проведение инверсии доминирования. Однако в наши дни инверсия доминирования происходит зачастую сразу после свадьбы. Связано это с тем, что в браке женщина имеет слишком много юридических преимуществ, что и стимулирует ее их реализовать. «До свадьбы это была одна Ирина, а после свадьбы - совсем другая Ирина» - рассказывал один мой знакомый, пораженный таким изменением поведения своей женщины.
А вот как одна женщина описывает всю цепочку алгоритма своего полового инстинкта от ухаживания и любви к инверсии доминирования:
«И вот ты смотришь на этого мужчину, и думаешь - нет, это совсем не то, что тебе нужно. Но этот мужчина делает так много усилий, чтобы стать ближе к тебе, он так настойчиво пытается ворваться в твою жизнь, его становится так много. Он везде.
Он встречает тебя после работы, поджидает где-нибудь, провожает, постоянно звонит, что-то говорит или молчит в трубку, и ты понимаешь, что это он.
И оттого, что его так много, ты даже боишься включить телевизор, потому что думаешь -вот включишь телевизор, и он там появится.
Но однажды, сидя с друзьями в кафе, ты вдруг подумаешь: вот интересно, а где сейчас этот человек, и почему он сегодня ни разу не позвонил? А потом подумаешь - ой, а почему я об этом подумала? И как только ты об этом подумала, через некоторое время ты понимаешь, что ты вообще ни о чем другом думать не можешь. И весь твой мир, в котором было так много друзей, всяких интересов, сужается до этого человека. И все! Тебе остается только сделать шаг
навстречу этому человеку, и ты делаешь этот шаг... И становишься такой счастливой. И думаешь - а почему я раньше-то не делала этот шаг, чтобы быть такой счастливой?
Но это состояние длится совсем не долго. Потому что ты смотришь на этого мужчину, и вдруг видишь: а он успокоился! И он успокоился не потому, что он добился тебя, и ты ему больше не нужна. Ты ему очень нужна. Но он просто успокоился, и может дальше жить спокойно. Но тебя-то это не устраивает. Ты хотела совсем не этого. Ты не можешь точно сказать, чего именно ты хотела, но точно не этого. И ты начинаешь устраивать провокации - хватать чемодан, уходить, чтобы тебя останавливали, чтобы на некоторое время вернуть то, что было вначале, чтобы вернулась, хоть ненадолго, та острота и трепет. И тебя останавливают, возвращают...
А потом перестают останавливать, и ты возвращаешься сама. И все это ужасно, нечестно, но может длиться очень долго. Очень долго...»
Обратим внимание на выделенную жирным шрифтом фразу. В переводе с женского языка на мужской она означает, что женщину не устраивает, что мужчина контролирует ситуацию, и ее самочный инстинкт на уровне подсознания заставляет женщину проводить инверсию доминирования. Методы инверсии доминирования и самого доминирования - психологические. Провокации и манипуляции. Цель провокации - вывести мужчину из состояния равновесия и в этом состоянии добиться психологического преимущества. Например, самый стандартный женский трюк - создание у мужчины комплекса неполноценности и комплекса вины. Подробно женские методы управления мужчинами мы разберем в отдельной главе. Для этого сперва у мужчины снижается самооценка. Женщина, используя какой-нибудь недостаток, «опускает» мужчину. Например, устраивает ему сцену с эмоциональной накачкой: «ты мало
зарабатываешь, твои друзья добились большего». Затем, проводится следующий типовой прием: «ты такой-сякой плохой, а я вся такая разэдакая принцесса, загубила ради тебя свою молодость, а ты в этом виноват». А раз виноват, то разумеется, должен искупать вину, заслуживать прощение и реабилитироваться в глазах женщины. То есть обеспечивать женщину услугами и материальными благами. Так мужчина попадается в психологический капкан и становится подкаблучником, функциональным придатком женщины. А женщина переходит в режим доминирования. Ну а любовь...ну какая может быть любовь к функциональному придатку кроме как любви хозяйки к дойной корове? В наши матриархальные дни, когда женщина имеет юридические преимущества перед мужчинами, провокации могут принимать гипертрофированно уродливые формы. Например, женщина в процессе затеянного ею скандала может угрожать разводом, разделом имущества, отъемом детей. Она вовсе не хочет этого, ее заставляет так поступать ее самочный инстинкт вкупе с убежденностью в собственной безнаказанности. Однако, мужчина понимает это однозначно как предательство, и пара оказывается обречена. Либо женщина все же психологически ломает мужчину и превращает в подкаблучника.
Однако мужское сообщество состоит далеко не из одних мужей-подкаблучников. Есть устойчивые пары, в которых живет любовь. А есть - убежденные холостяки, которые окружены женским вниманием время от времени сменяемых подруг и радуются жизни.
Если женщине не удалось провести инверсию доминирования, так как мужчина оказался психологически устойчивым, у него не снизилась самооценка и не появился комплекс вины, но в то же время, он добычлив и надежен, то любовь не выключается, и все начинается сызнова. Любовь, перемежаемая провокациями и попытками проведения инверсий доминирования. Так может длиться всю жизнь.
На Рис. 24 это состояние обозначено как цикл номер 1, «цикл любви». Женщина никогда не прекращает зондировать мужчину на устойчивость, и пока он сопротивляется, она его любит. Поэтому состояние длительной любви - это состояние неустойчивого равновесия. И тем не менее, это самое выгодное состояние пары. И для образующих пару мужчины и женщины, и для их детей, и для социума в целом, для всех. Поэтому любая сбалансированная культура старается заботливо провести самочный инстинкт женщины по всей цепочке сближения, вывести его в режим любви и удержать на нем всю жизнь, оберегая от скатывания в режим доминирования. Методы культурной коррекции межполовых отношений мы разобрали выше.

Рис. 24. Циклы алгоритма полового инстинкта (прошивки) человеческой самки, определяющие ее взаимодействие с высокоранговыми (1), среднеранговыми (2, 3) и низкоранговыми (4) самцами.