В дополнение к камере компания представила несколько новых решений для системы EOS:
ў EF 16-35mm f/2.8L II USM — высокоскоростной сверхширокоугольный зум-объектив;
ў Speedlite 580EX II — новая вспышка, идущая на смену модели Speedlite 580EX и способная работать в любых погодных условиях;
ў беспроводной передатчик файлов WFT-E2. Он меньше и легче предшествующей модели и вдобавок обеспечивает повышение скорости работы благодаря возможности беспроводной передачи изображений во время съемки;
ў комплект защиты данных Original Data Security Kit OSK-E3 — средство проверки подлинности снятых фотокамерой кадров, поддерживающее шифрование изображений для дополнительной защиты.

Процессор AMD Athlon 64 Х2 6000+, Socket AM2
Системная плата Gigabyte, nForce590 SLI M59SLI-S4
Память DIMM 2 Гбайт DDR II PC5300
Диск 500 Гбайт SEAGATE Barracuda ATA IX (7200rpm) SATA-II
Оптический привод Pioneer DVR-111D
Видеоадаптер PCI-E Chaintech 768 Мбайт GeForce 8800GTX Apogee TV DVI
ТВ-тюнер Avermedia AverTV MCE 116 Plus
Звук Creative SB Audigy-2 ZS (SB0359)
Новая флагманская модель компании объединяет в себе мощность игровой станции G-класса и широкие мультимедийные возможности М-класса. Сделана она на основе процессора AMD Athlon 64 X2 6000+, игровые возможности реализованы на видеокарте GeForce 8800 GTX. Имеется всеформатный пишущий оптический привод, ТВ-тюнер, широкий набор коммуникационных портов. Компьютер будет выпускаться небольшими сериями на заказ. Более того, пользователю будет дана возможность совместно с инженером компании «Формоза» дооснастить компьютер аксессуарами и решениями. Цена модели в розницу — 79990 рублей.
ПАТЕНТНОЕ БЮРО: Патентное бюро
Автор: Сергей Леонов

Если вам когда-либо приходили по электронной почте письма с вложенными exe-файлами и вы пытались этот файл получить через Outlook (Express), понять суть данного предложения не составит труда. Ровно так, как почтовая программа блокирует доступ к исполняемым вложениям, предлагается блокировать ссылки в письмах, если ссылки эти ведут на фишинговые сайты. В заявке подробно описан порядок диалогов с пользователем, который решил все же пойти по ссылке — для этого ее придется разрешить, и при следующем открытии письма она станет доступной.

Предлагаемое решение, по идее, должно надежно защитить компьютер от вредоносных файлов, ибо ориентируется не на сигнатуры вирусов и троянов, а на результат запуска подозрительного компонента в операционной системе. Для того чтобы не испортить при этом саму ОС, предполагается запустить ее вторую копию из-под первой. Во второй ОС можно вдобавок запустить еще и некоторые приложения. Если последующий запуск подозрительного файла во второй ОС не привел к нарушениям функционирования и перезаписи критичных объектов, есть надежда, что он не сделает ничего подобного и в основной системе.

Если вы любите поиграть в компьютерные игры, требующие специальных манипуляторов (например, руля и педалей), но используете компьютер еще и для серьезных дел, вам наверняка доставляет неудобство установка всей этой техники на стол и под стол, а потом и убирание ее обратно. Специально для таких случаев предлагается компьютерный стол с двумя рабочими местами, одно из которых оборудуется как игровое, а второе — как рабочее. Монитор нужен обязательно на поворотной подставке, чтобы его можно было обращать «лицом» к любому из мест.

Это устройство представляет собой телефон-слайдер или подобный аппарат. Но в отличие от традиционных слайдеров, половинки предлагается сделать не прямоугольными, а клинообразными. При раздвигании устройства между верхними поверхностями половинок образуется угол, отличный от 180 градусов, в чем, собственно, авторы патента и видят эргономичность.

Известно, что при выступлениях артистов микрофон на сцене передает не только голос, но и всевозможные посторонние шумы и звуки. Автор этой заявки предлагает выключать микрофон в тех случаях, когда артист отходит от него на некоторое расстояние. Для реализации предложены два варианта — напольный нажимной выключатель, сделанный по принципу пленочной клавиатуры (если сойти с него, звук выключается), и инфракрасный датчик, устанавливаемый под микрофоном и отслеживающий приближение лица к микрофону.

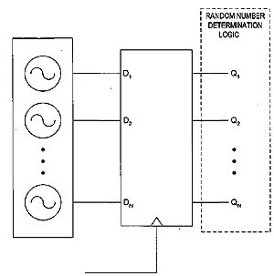
Допустим, имеется некоторый массив генераторов, дающих на своих выходах колебания с частотами, все из которых различны. Мало того, они должны быть еще и не кратны друг другу. Если эти генераторы соединить с регистром-защелкой, то ее выходы вполне смогут служить двоичными разрядами случайного числа. Тем не менее это число заявитель считает все же не совсем случайным, и после защелки предлагается поставить еще преобразователь (фактически — ПЗУ), в котором по случайным адресам записаны случайные числа.


ПИСЬМОНОСЕЦ: Концепция allinstick
Автор: Сергей Леонов
Здравствуйте, уважаемая редакция!
Хочу поделиться советами при покупке книг по программированию:
1. Покупай книги известных, проверенных (знаменитых) авторов.
2. Не покупай самоучители.
3. Не бойся покупать умные книги.
4. Книга должна нравиться, она должна быть понятно написана. Если книга не нравится или не понятна, ты все равно не будешь ее читать.
5. Покупай по правилу 3-х ссылок: если получишь три хороших отзыва на книгу.
6. Книги, которые называются «для профессионалов» обычно содержат основы, книги, которые называются «основы», обычно пишутся профессионалами.
7. Не бойся покупать слишком тонкие книги, и слишком толстые, но отдавай предпочтение книгам 500-1100 стр.