1 декабря 1917 г. заказ увеличили до 3100 танков FT с башней типа «омнибус» (1950 пушечных и 1150 пулеметных), 700 танков BS с 75-мм орудием и 200 «радиотанков» TSF. В январе 1918 г. снабжение «штурмовой артиллерии» перешло в ведение военного министерства, создана особая вице-дирекция «штурмовой артиллерии», позволившая централизовать решение ряда вопросов. 17 февраля 1918 г. военный министр увеличил заказ до 4000 машин и распорядился о производстве их во Франции. Шасси распределялись следующим образом: 1000 пулеметных, 1830 пушечных танков «Рено» с 37-мм пушкой, 200 «радиотанков» TSF, 600 танков BS с 75-мм пушкой и еще 370 шасси для других целей (другой вариант того же плана — 2000 пушечных, 1100 пулеметных танков, 300 «радиотанков» и 600 танков с 75-мм пушкой). В мае 1918 г. «Берлие» получила заказ еще на 225 танков, «Делано-Бельвиль» в мае — июне — еще на 110 танков. Впоследствии заказ увеличивали еще несколько раз, и к октябрю 1918 г. он достиг 7820 танков в одной Франции.
Боевые танки «Рено» начала подавать в армию только в марте 1918 г. (да и из них вооружены были только пулеметные), остальные французские фирмы — только в середине того же года. С целью ускорить подачу танков в войска министр вооружения распорядился отправлять их с заводов непосредственно в лагерь Шамплиэ, где сформировали отдел парка центра снабжения автомобильной службы. Это оказалось нелишним, поскольку многие танки пришлось пересматривать и доводить уже в Шамплиэ. Так, срочно доставленные на грузовиках в ночь с 23 на 24 марта тридцать 37-мм пушек с установками были поставлены в танки силами отдела.
В связи с началом германского наступления в марте 1918 г. вице-директор «штурмовой артиллерии» 4 апреля просил министра вооружения максимально ускорить оснащение легкими танками девяти сформированных и девяти формирующихся рот. Однако и к 1 мая из 216 сданных танков боеспособными были только 60.
Особенности танков «Рено» FT разных производителей, а также соотношение общих цифр выпуска танков и заказа видно из таблицы на октябрь 1918 г.:

Всего к моменту перемирия 11 ноября 1918 г. построено 3177 танков «Рено» FT, из них самой фирмой «Рено» — 1950, или 61,4 % от общего количества. Радиотанков «Рено» TSF изготовили всего 188. После войны «Рено» собрала еще 570 танков, так что общий выпуск танков во Франции превысил 3800 штук всех модификаций. Таким образом, «Рено» FT, появившись уже в 1917 г., несмотря на большие задержки с выполнением, стал не только конструктивно и «идеологически» лучшим, но и самым массовым танком Первой мировой войны. А как мы увидим из дальнейшего — и самым «долгослужащим».
Несколько «Рено» FT французы на завершающем этапе войны передали англичанам (как бы в порядке обмена на тяжелые Mk V* — ведь сами французы до конца войны не приняли своего тяжелого танка), которые использовали их в качестве машин управления.
Перейдем к описанию устройства танка «Рено» FT-17. Танк имел четыре варианта: пулеметный (Char Mitrailleuse 8 mm), пушечный (Char Canon 37 mm), танк управления или «радиотанк» (Char signal TSF) и танк огневой поддержки (Char Canon 75 mm BS) с 75-мм гаубицей «Шнейдер».
Схема компоновки «Рено» FT с задним расположением моторно-трансмиссионного отделения (МТО) и ведущих колес, передним отделения управления и средним боевого отделения с установкой вооружения во вращающейся башне до сих пор остается классической (хотя повсеместное признание эта схема получила отнюдь не сразу). Рено не первым поставил башню на бронемашины — вращающиеся башни с пулеметным, пушечным или смешанным вооружением тогда уже широко применялись на бронеавтомобилях, да и англичане пытались поставить башню на прототип своего танка еще в 1915 г. Но Рено стал первым, кому удалось создать действующий танк с вращающейся башней. Реализованная в танке «Рено» схема компоновки обеспечивала водителю (механику-водителю) лучший обзор, вооружению — круговой обстрел, всему экипажу — лучшие условия обитаемости, изолированно от нагретого двигателя, гарантировала от заволакивания поля обзора дымом из выхлопной трубы, уменьшала опасность для экипажа при возникновении пожара в МТО, давала лучшее распределение веса по длине танка с точки зрения проходимости. В то же время двигатель и ведущие колеса оказывались лучше защищены от вывода из строя огнем противника.

Установка 37-мм пушки в башне танка «Рено» FT.

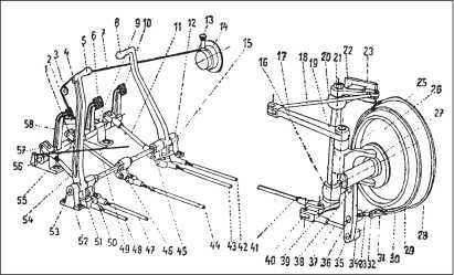
Органы управления танка «Рено» FT: 1–2 — защелка стопора тормозной педали, 3, 7 — трос стопора, 5 — левый рулевой рычаг, 6, 58 — тормозная педаль, 8 — правый рулевой рычаг, 10 — педаль акселератора, 11 — тяга, 12 — поводок, 13, 14 — рукоятка и барабан стопора тормоза, 15 — рычаг поворота, 17 — рычаг, 19 — рычаг сцепления, 20 — подшипник, 21 — вертикальная ось, 22, 23 — рычаг, 25, 26 — конус сцепления, 27 — нажимная шайба, 28 — тормозной барабан, 29 — коробка, 30, 31 — тормозная лента, 36 — шарнир, 37 — тормозная тяга, 38 — ось рычага, 39 — феродо, 41, 42, 43 — тяги, 49 — трос управления акселератором.
Водитель сидел в передней части корпуса по оси машины на установленном на днище откидном сиденье. Стрелок (он же командир машины) располагался в башне стоя или полусидя в брезентовой петле, позже установили небольшое регулируемое по высоте сиденье. Для входа и выхода экипажа служил лобовой люк с трехстворчатой крышкой, а в задней части башни слева выполнили аварийный люк-лаз с двустворчатой крышкой. Все крышки люков крепились на внешних петлях. Верхняя створка лобового люка со смотровой щелью на марше откидывалась вверх, образуя окно механика-водителя. В бою механик-водитель вел наблюдение через три открытые смотровые щели в верхней створке и в скулах корпуса. Обитаемый объем отгораживался от МТО стальной перегородкой с двумя зарешеченными отверстиями для циркуляции воздуха — отверстия снабжались откидными заслонками для защиты экипажа в случае пожара двигателя.
Корпус «Рено» FT был несущим элементом и представлял собой каркас из уголков и фасонных деталей, к которым на заклепках крепились броневые листы и детали ходовой части — несущий корпус также стал «классикой» танкостроения. Прототип танка имел литую лобовую часть корпуса, но сложность с получением броневых отливок нужного профиля и с нужной точностью заставили сделать корпус полностью клепаным из прямых листов. Толщина вертикальных листов корпуса составляла 16 мм, наклонных листов — 8 мм, крыши и днища — 6 мм. Наклонная установка бронелистов увеличивала бронестойкость корпуса.

Преодоление танком «Рено» FT широкого рва с опорой на хвост.

Схема коробки передач, запатентованная Луи Рено в 1918 г.

Узлы ходовой части танка «Рено» FT: 1 — поддерживающий ролик, 2 — пружина буфера, 3 — направляющее колесо, 4 — вилка натяжного устройства, 5 — гайка натяжного устройства, 6 — винт натяжного устройства, 7 — передний балансир, 8 — серьга рессоры, 9 — задний балансир, 10 — рессора, 11 — тележка, 12 — опорный каток, 13 — ведущее колесо, 14 — ось ведущего колеса.
Далеко не сразу удалось решить вопрос с башней. Прототип «Рено» FT имел литую башню со сферическим наблюдательным «куполом», выполненным заодно с крышей башни. «Купол» уже в первых серийных танках пришлось заменить цилиндрическим колпаком с пятью смотровыми щелями и грибовидной откидывающейся крышкой. Кроме упрощения изготовления это еще и улучшило вентиляцию. Смотровые щели выполнялись также в створках башенного люка, а в клепаных башнях — и в передних скулах, хотя здесь от них было больше вреда, чем пользы. Пришлось далее упрощать и саму башню. «Рено» по собственной инициативе оснастила первые 100 машин восьмигранной клепаной башней. Испытания показали ее полную пригодность, причем оказалось, что пушку и пулемет можно устанавливать в одинаковые башни с соответствующими изменениями установки.