По способу подвода масла к трущимся деталям системы смазки мотоциклетных двигателей можно различить смазку разбрызгиванием, самотеком и принудительную смазку.
Смазка разбрызгиванием в мотоциклетных двигателях обычно применяется для смазывания стенок цилиндров, поршневых пальцев, кулачков и толкателей, а иногда коренных подшипников и втулок валиков кулачковых шестерен. При такой смазке детали в процессе работы двигателя покрываются пленкой масла, разбрызгиваемого в картере вращающимися деталями.
Смазка разбрызгиванием является наиболее простой, но вместе с тем и наименее надежной, так как в данном случае масло подается к трущимся поверхностям деталей двигателя в недостаточном количестве. Во время работы двигателя разбрызгиваемое масло образует в картере двигателя масляный туман и мельчайшие капельки масла, соприкасаясь с горячим воздухом и газами, проникающими в картер двигателя из цилиндра, а также конденсируясь на стенках цилиндра и картера, значительно нагреваются, что, конечно, ускоряет окисление и порчу масла.
Смазка самотеком в мотоциклетных двигателях используется для подвода к трущимся деталям двигателя масла, стекающего по внутренним стенкам картера в сборники, откуда оно по каналам самотеком поступает к трущимся деталям. Преимущество этого вида системы смазки — простота ее устройства. Недостатком этой системы является то, что в сборники масло поступает после разбрызгивания, а, стекая по горячим стенкам картера, оно сильно нагревается. При этом значительно понижается вязкость масла и не обеспечивается надежная смазка деталей двигателя. После долгой стоянки масло из сборников стекает через зазоры деталей в картер, вследствие чего также не обеспечивается надежная смазка деталей. Кроме того, движение масла самотеком по каналам возможно при условии, если температура масла выше температуры его застывания. Поэтому в условиях низкой температуры оно поступает к деталям только тогда, когда и масло, и стенки каналов достаточно прогреты.
Принудительная смазка является наилучшим способом подвода масла к более ответственным трущимся деталям. Принудительная подача масла осуществляется масляными насосами, с помощью которых создается давление воздуха в картере двигателя или в масляном баке. Кроме того, для принудительной подачи могут использоваться центробежные силы, возникающие при вращении коленчатого вала.
По способу использования рабочего запаса масла системы смазки мотоциклетных двигателей могут быть разделены на следующие две группы: смазка циркуляционная и смазка смесью масла и горючего.
Циркуляционной называется такая смазка, когда при помощи масляных насосов осуществляется непрерывная циркуляция масла, обеспечивающего смазку деталей двигателя. Масло может циркулировать или непосредственно в картере двигателя, или же через масляный бак, расположенный вне картера. В первом случае циркуляция масла совершается по следующему пути: картер двигателя — нагнетательный масляный насос — масляные клапаны — места смазки — картер двигателя.
Во втором случае циркуляция масла совершается по несколько иному пути: масляный бак — нагнетательный масляный насос — масляные каналы — картер двигателя — фильтр — отсасывающий масляный насос — масляный бак.
При циркуляционной смазке масло в необходимом количестве подается к местам смазки, отводит тепло от подшипников и вымывает из них грязь и отложения. Кроме того, загрязненное и нагретое масло в процессе циркуляции фильтруется и охлаждается, что обеспечивает подвод к подшипникам чистого и охлажденного масла. Циркуляционная смазка применяется на двигателе мотоцикла М-72.
Смазка смесью масла и горючего применяется в двухтактных мотоциклетных двигателях с кривошипно-камерной продувкой. Масло, поступающее в смеси с горючим через карбюратор в картер двигателя, оседает на деталях и смазывает их. Разбрызгиваемое вращающимися деталями масло проникает затем с парами горючего в цилиндр двигателя и там сгорает.
Преимуществом этой системы смазки является ее простота, а недостатком — невозможность обеспечить подачу необходимого количества масла трущимся деталям, так как подача масла является произвольной.
Смазка трущихся деталей мотоциклетных двигателей в основном определяется характером их работы и возможностью применения того или иного способа подвода к ним масла. Цилиндры и поршни мотоциклетных двигателей смазываются разбрызгиванием и в редких случаях в качестве вспомогательной меры масло принудительно подается на зеркало цилиндра. Поршневой палец, толкатели и кулачки смазываются только разбрызгиванием. Опоры кулачковых шестерен смазываются разбрызгиванием и чаще самотеком. Коренные подшипники коленчатого вала смазываются как разбрызгиванием, так и принудительно и в редких случаях самотеком. Шатунные подшипники в подавляющем большинстве случаев смазываются принудительно, но при кривошипно-камерной продувке, как правило, разбрызгиванием. Шестерни распределения смазываются разбрызгиванием, но в некоторых случаях осуществляется их принудительная смазка.
Таким образом, в мотоциклетных двигателях часть деталей может смазываться разбрызгиванием, часть самотеком и часть принудительно. Поэтому подавляющее большинство систем смазок представляет собой комбинацию различных способов подвода масла к трущимся поверхностям.
4 Основные системы смазки
Для мотоциклетных двигателей применяется система смазки смесью масла с горючим или циркуляционная.
Система смазки смесью масла с горючим. В топливный бак мотоцикла заливается тщательно перемешанная смесь масла и горючего в пропорции, принятой для данного двигателя. Обычно в этой смеси находится 8 % масла (по объему). Для новых двигателей, еще не прошедших полностью приработку, количество масла увеличивается до 10 %.
Из топливного бака смесь по трубопроводу подается в карбюратор, а затем в кривошипную камеру (картер) двигателя. Во время распыливания смеси в карбюраторе и в кривошипной камере основная часть горючего испаряется, масло отделяется от горючего и, оседая на стенках картера и трущихся деталях, смазывает их. Попадая на вращающиеся детали двигателя, масло разбрызгивается и снова поступает к трущимся деталям.
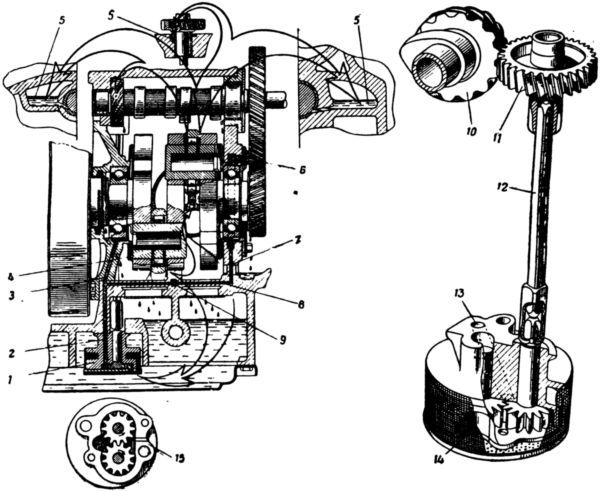
Система циркуляционной смазки (рис. 62).

Рис. 62. Система смазки двигателя мотоцикла М-72: 1 — масляный насос; 2 — нагнетательный канал; 3 — канал подачи масла к заднему маслосборному диску; 4 — маслосборный диск; 5 — сборники масла; 6 — трубка подачи масла к шестерням распределения; 7 — канал подачи масла к переднему диску; 8 — масляная магистраль; 9 — канал подачи масла к левому цилиндру; 10 — шестерня кулачкового валика; 11 — шестерня привода насоса; 12 — валик насоса; 13 — нагнетательный канал в корпусе насоса; 14 — сетчатый фильтр насоса; 15 — шестеренчатый масляный насос.
Масло заливается в картер двигателя через заливное отверстие, расположенное с левой стороны картера. Заливное отверстие закрывается пробкой с закрепленным в ней стержневым указателем уровня масла. На нижнем конце указателя имеются две риски, указывающее допустимые пределы колебания уровня масла. Масло, заливаемое через заливное отверстие, поступает в нижнюю часть картера, в которой расположен масляный насос шестеренчатого типа.
Масляный насос состоит из двух цилиндрических шестерен, одна из которых через валик насоса 12 и шестерню привода насоса 11 приводится в действие от шестерни 10, выполненной на кулачковом валике. Во время работы двигателя масло из картера двигателя поступает через сетчатый фильтр 14 в полость масляного насоса 1. Из масляного насоса масло подается по нагнетательному каналу 13 в масляную магистраль 8, имеющую три выходных канала 3, 7 и 9. Масло, поступающее через канал 7, проходит по кольцевой выточке в гнезде коренного подшипника к трубке 6 в крышке корпуса, направляющей струю масла на шестерни распределения. Кроме того, масло по каналу 7 в корпусе поступает под наружную обойму переднего коренного подшипника и по выемке в корпусе вытекает в маслосборный диск. Масло, поступающее в маслосборный диск, под действием центробежной силы прижимается к внутренней части желобка и через отверстие в маслосборном диске проходит во внутреннюю полость шатунного пальца левого цилиндра. Из внутренней полости шатунного пальца масло через два сверления в стенке пальца поступает к подшипникам большой головки шатуна. Смазав подшипник большой головки шатуна, масло разбрызгивается в картере, смазывает другие детали двигателя, после чего стекает обратно в нижнюю часть картера двигателя.