Включение четвертой передачи осуществляется передвижением вправо шестерни-каретки 7 первичного вала (шестерня-каретка 19 промежуточного вала находится в нейтральном положении), при этом кулачки на правом торце шестерни-каретки 7, сцепляясь с кулачками на торце вторичного вала 10, соединяют первичный вал непосредственно с вторичным (прямая передача).
Механизм переключения коробки передач мотоцикла ИЖ-350 устроен следующим образом (рис. 106).

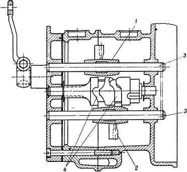
Рис. 106. Механизм переключения коробки передач мотоцикла ИЖ-350: 1–2 — вилки переключения передач; 3 — валики вилок переключения передач; 4 — фигурные канавки валика переключения.
В кольцевые пазы шестерен-кареток первичного и промежуточного валов входят вилки переключения 1, 2. Эти вилки могут перемещать шестерни-каретки вдоль оси соответственно первичного или промежуточного вала. Вилки переключения передач насажены на направляющих валиках 3, закрепленных в картере коробки. На обоих валиках имеются пальцы, входящие в фигурные канавки 4 валика переключения, укрепленного в картере коробки передач. При повороте валика переключения пальцы скользят внутри фигурных канавок, это вызывает осевые перемещения вилок, а следовательно, и связанных с ними шестерен-кареток.
Валик переключения поворачивается с помощью рычага переключения (с промежуточной тягой), установленного с правой стороны топливного бака, или педали переключения, расположенной с левой стороны коробки передач.
Тяга рычага ручного переключения связана с рычагом 16 (рис. 107), установленным с правой стороны коробки.

Рис. 107. Механизм переключения коробки передач мотоцикла ИЖ-350: 1 — возвратная пружина пускового механизма; 2 — сектор пускового механизма; 3 — ось педали ножного переключения; 4 — сцепление; 5 —шестерня пускового механизма; 6 — цепь моторной передачи; 7 — ведущий конец коленчатого вала двигателя; 8 — шестерня первой передачи первичного вала; 9 — шестерня второй передачи первичного вала; 10 — контрольный стержень для проверки уровня масла; 11 — шестерня третьей передачи и каретка включения второй и четвертой передач; 12 — шестерня постоянного зацепления вторичного вала; 13 — ведущая зубчатка главной передачи; 14 — вилка переключения верхняя; 15 — вилка переключения нижняя; 16 — рычаг присоединения тяги ручного переключения; 17 — зубчатый сектор-храповик; 18 — селекторный механизм; 19 — валик переключения.
Усилием этого рычага поворачивается валик с зубчатым сектором-храповиком переключения 17, который своими зубьями сцеплен с валиком переключения и поворачивает его.
Педаль переключения насажена на шлицы валика педали. На втором конце этого валика расположен селекторный механизм 18, установленный внутри сектора-храповика переключения.
В селекторном механизме (рис. 108) имеются две собачки 1 и 2, действующие в противоположные стороны.

Рис. 108. Селекторный механизм коробки передач мотоцикла ИЖ-350: 1–2 — собачки переключения; 3 — пластинчатая пружина селекторного механизма; 4 — утопители собачек.
Пластинчатая пружина 3 селекторного механизма стремится раздвинуть концы собачек.
Педаль переключения и ее валик, а следовательно, и селекторный механизм удерживаются в исходном положении с помощью возвратной пружины механизма переключения, установленной в картере коробки передач с правой стороны. При нажиме на педаль переключения вверх или вниз поворачивается валик педали и селекторный механизм. При этом одна из его собачек находит на утопитель 4, выполненный на торцовой части сектора, а вторая упирается в один из храповых зубьев на внутренней поверхности сектора и, поворачивая его, поворачивает валик переключения, т. е. производит переключение коробки передач.
Для включения первой передачи надо нажать педаль вниз. Вторая, третья и четвертая передачи включаются при подаче педали вверх. При одном нажатии на педаль (безразлично вверх или вниз от исходного положения) обеспечивается включение одной передачи.
Пусковой механизм коробки передач мотоцикла ИЖ-350 состоит из пускового рычага 7 с откидной педалью 2 (рис. 109).

Рис. 109. Пусковой механизм коробки передач мотоцикла ИЖ-350: 1 — пусковой рычаг; 2 — откидная педаль пускового рычага; 3 — затяжной болт пускового рычага; 4 — валик пускового рычага (полый); 5 — пусковой сектор; 6 — пусковая шестерня; 7 — пружина нажимная пусковой шестерни.
Пусковой рычаг с помощью затяжного болта и шпонки укреплен на полом пусковом валике 4. Сквозь него проходит валик, на котором укреплена педаль переключения. На втором конце пускового валика расположен пусковой сектор 5, который может входить в зацепление с пусковой шестерней 6, свободно установленной на барабане механизма сцепления и прижатой к нему пружиной 7.
При нажатии на педаль сектор пускового механизма вращает пусковую шестерню 6, которая с помощью храповика, выполненного на ее торцовой поверхности, вращает барабан сцепления и далее через цепь вращает и коленчатый вал двигателя. Рычаг пускового механизма возвращается в исходное положение с помощью ленточной пружины, расположенной между сектором пускового механизма и картером.
Картер коробки передач и моторной передачи заливается маслом через отверстие с пробкой. Уровень масла контролируется по меткам на щупе, установленном в правой половине картера. Для слива масла служит отверстие, закрываемое пробкой с нарезкой. Это отверстие расположено в нижней части картера, в плоскости валов коробки передач.
Коробка передач мотоцикла М1А (рис. 110) относится к типу трехступенчатых, двухходовых, соосных, с подвижными шестернями постоянного зацепления.

Рис. 110. Коробка передач мотоцикла M1А: 1 — механизм сцепления; 2 — шариковый подшипник первичного вала; 3 — шестерня первой передачи первичного вала; 4—шестерня-каретка первичного вала; 5 — зубья первичного вала; 6 — шлицы первичного вала; 7 — зубчатый венец (шестерня) вторичного вала; 8 — шариковый подшипник вторичного вала; 9 — ведущая зубчатка главной передачи; 10 — опорные втулки промежуточного вала; 11 — шестерня постоянного зацепления промежуточного вала; 12 — промежуточный вал; 13 — шестерня-каретка промежуточного вала; 14 — шестерня первой передачи промежуточного вала.
Расположена коробка в неразъемном с двигателем блоке. На левом выступающем с наружной стороны картера конце первичного вала установлен механизм сцепления 1. На первичном валу с левой стороны имеется шариковый подшипник 2. Правый конец вала входит внутрь вторичного вала, где опирается на бронзовую втулку, запрессованную в отверстие вторичного вала. С левой стороны первичного вала нарезан зубчатый венец (шестерня) 3 первой передачи. Там же установлена подвижная шестерня-каретка 4, которая может соединяться с первичным валом попеременно либо своими внутренними зубьями в левой части с пятью зубьями 5 первичного вала, либо внутренними зубьями в правой части со шлицами 6 правой стороны первичного вала.
Промежуточный вал 12 коробки передач установлен в картере на двух втулках 10. На левом конце промежуточного вала свободно посажена шестерня 14 первой передачи, постоянно сцепленная с зубчатым венцом (шестерней) 3, нарезанным на первичном валу. Далее на промежуточном валу насажена подвижная шестерня-каретка 13, которая постоянно сцеплена с шестерней-кареткой 4 первичного вала. Шестерня-каретка 13 промежуточного вала может соединяться с ним так же, как шестерня-каретка 4 первичного вала, но шлицы, с которыми она соединяется, нарезаны на левой стороне этого зала, т. е. в направлении, обратном шлицам на первичном валу.