В этот момент дверь распахнулась, и в комнату шагнул один из телеоператоров с работающей камерой. Дженифер тут же выхватила из стопки несколько графиков и подняла их так, чтобы оператору было удобно снимать. А всем присутствующим шепотом объяснила:
– Наш ролик будет без звука, так что надо представить и наглядный визуальный ряд.
Она развернулась лицом к камере и сказала:
– Позвольте продемонстрировать вам несколько наборов данных с метеостанций. Вот, например, запись средних температур в Пасадине с 1930 года.[21] Как видите, – продолжила Дженифер, – здесь отмечается значительный рост среднегодовых температур. А вот данные по Беркли с 1930 года.
На удивление неполная запись, верно? Но тут мы использовали необработанные данные, сами можете видеть, некоторые годы пропущены. Однако тенденция к потеплению просматривается довольно отчетливо. Сомнению не подлежит, вы согласны?


– Согласен, – кивнул Эванс. И тем не менее отметил про себя, что разница в температурах ничтожная, меньше градуса за более чем шестьдесят лет.
– Так, теперь данные по Долине Смерти, одному из самых жарких и сухих мест на нашей планете. Понятно, что никакой урбанизации там не наблюдается. Жить в таких условиях просто невозможно. И снова пропущено несколько лет.

На этот раз Эванс промолчал. «Должно быть, какая-то аномалия», – подумал он. Дженифер продемонстрировала еще несколько графиков.
– Это данные со станций в пустыне Невада и с равнинных территорий Оклахомы, – сказала она. – И температуры в целом ровные, иногда даже показывают тенденцию к снижению. Причем измерялись они не только в сельских местностях. А вот данные по Боулдеру, штат Колорадо. Представляют интерес уже хотя бы потому, что там расположен НЦИА, Национальный центр исследования атмосферы, где проводится большая часть работ по изучению феномена глобального потепления.



А вот еще данные по маленьким городам. Трумэн, штат Миссури, Гринвилль, это в Южной Дакоте…



– Ну, следует признать, здесь не отмечается таких уж сильных изменений, – заметил Эванс.
– Смотря что считать сильным. В Трумэне похолодало на 2,5 градуса по Фаренгейту. В Гринвилле – на 1,5 градуса, в Анн-Арбор – на один градус, и все это с 1930 года. Так что эти города являются исключением, если глобальное потепление в целом имеет место.
– Давайте взглянем на более крупные населенные пункты, – сказал Эванс. – Такие, как, к примеру, Чарльстон.
– Знаете, Чарльстон как раз имеется, – сказала Дженифер. И принялась рыться в стопке графиков. – Вот, пожалуйста.


– Да, большие города и нагреваются больше, – заметил Эванс. – А что у нас с Нью-Йорком?
– По штату Нью-Йорк несколько наборов данных. По Нью-Йорк-Сити и более мелким городам.
Как видите, – сказала Дженифер. – В Нью-Йорк-Сити стало теплее, зато в других частях штата, от Освего до Олбани, с 1930 года отмечается похолодание.



Эванс отдавал себе отчет в том, что на него нацелены телекамеры. Кивнул, как ему показалось, с многозначительным и умным видом, и спросил:
– А откуда взяты все эти данные?
– Из базы данных Института истории климатологии, – ответила Дженифер. – Создан такой национальный центр с разветвленной системой лабораторий в Оук-Ридж.
– Что ж, – кивнул Эванс, – очень любопытно. Однако мне хотелось бы видеть еще и данные по Европе и Азии. Без них картина была бы неполной. Ведь речь идет о глобальном потеплении.
– Разумеется, – согласилась с ним Дженифер. Она тоже явно играла на камеры. – Но прежде чем мы перейдем к этому, хотелось бы знать ваше мнение по просмотренным нами данным. Как вы уже успели убедиться, далеко не во всех городах Соединенных Штатов наблюдается потепление за означенный период.
– Уверен, вы очень старательно и целенаправленно подбирали именно эти данные, – заметил Эванс.
– Ну, до определенной степени. Примерно так поступили бы на нашем месте и свидетели защиты.
– А результаты меня не удивляют, – сказал Эванс. – Изменения погоды носят локальный характер. Так было, и так всегда будет. – Тут вдруг в голову ему пришла мысль:
– А кстати, почему все эти графики составлены начиная с 1930 года? Ведь измерения температуры на регулярной основе начались значительно раньше.
– Это вы верно подметили, – кивнула Дженифер. – Уверена, если сравнивать с более давними годами, разница будет еще больше. Вот, к примеру…


Это данные по Уэст-Пойнт, штат Нью-Йорк, с 1931 по 2000 год. Отмечается тенденция к снижению. А вот…
Вот вам тот же Уэст-Пойнт, только за 1900—2000 годы. И тут, напротив, наблюдается тенденция к повышению среднегодовых температур.
– Ага… – многозначительно протянул Эванс. – Получается, что вы все же манипулируете данными! Берете те, которые вам выгоднее.
– Совершенно верно, – кивнула Дженифер. – Но этот маленький трюк работает лишь потому, что температуры во многих регионах США в тридцатые годы были выше, нежели сегодня.
– И все равно это не совсем честно.
– Да. И защита не упустит возможности продемонстрировать жюри присяжных многочисленные примеры подобных мелких подтасовок, найденных в научной литературе по вопросам окружающей среды. И сводятся они к выбору данных за те годы, которые показывали бы, как ситуация ухудшается.
«На суде это будет выглядеть оскорблением в адрес ученых-экологов», – подумал Эванс.
– В таком случае, – сказал он, – давайте попробуем обойтись без подтасовок. Использовать самые полные и объективные данные по температурным изменениям. Какие из них самые ранние?
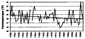
– По Уэст-Пойнт, наблюдения ведутся с 1825 года.
– Вот и прекрасно. Почему бы не начать с них? – Эванс был уверен в правильности своего предложения, поскольку всем было хорошо известно, что тенденции к глобальному потеплению начали просматриваться примерно с 1850 года. С тех пор во всех уголках планеты понемногу становилось теплее, и график по Уэст-Пойнт это отражал.
21
Население Лос-Анджелеса 14 531 000 человек; Беркли – 6 250 000; Нью-Йорка – 19 346 000 человек.